Designing a Circuit to Obtain an EKG
Abstract
The object of this project is to gain a better understanding of the electrical components of an EKG. This involves creating the different parts of the EKG, an instrumentation amplifier, a bandpass filter, a notch filter, and an input/output signal to visualize the heartbeat. The amplifier's job is to extend the required value range for the EKG’s low frequency, the notch filter eliminates noise from other signals, and the bandpass filter refines the signal from the EKG. Errors can occur in any of the different components of the circuit, requiring extreme accuracy in each step, as one small mistake could ruin the entire circuit. This extreme accuracy is important due to the heart’s low frequency, with a lot of potential to block this signal. Because we knew all this going into it, our circuit is very accurate, with a majority of the percent errors being very small, which is why we expect our EKG to be reliable. When we connected our circuit to an actual heartbeat, or the cardiac waveform generator signal, we only had some noise, showing our circuit was made correctly. Based on the images we collected from our heartbeat, we can conclude that while it is challenging to achieve a clear signal without any noise, it is feasible for us to generate an EKG.
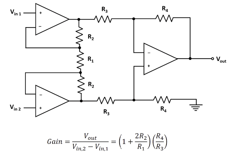
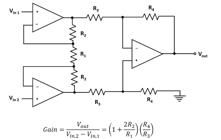
Instrumental Amplifier
The magnitude of the input signal from the ECG is about 1 mV. Therefore, an instrumental amplifier must be used to amplify that input signal to 2-5 V. The gain should be about 3000 in order to amplify the input (1 mV) to the desired value of 3 V.


60 Hz Notch Filter
The purpose of the 60 Hz notch filter is to attenuate noise due to power-line interference. The power supplied has a frequency around 60 Hz, so it is important to filter that noise out of the input signal for the ECG output.


Bandpass Filter
The range of frequencies recorded using an ECG are about 0.5 - 150 Hz. The cutoff frequencies for the high pass and low pass filters will be 0.5 Hz and 150 Hz, respectively.






Completed Circuit
Oscilloscope EKG Result
Link to Full Report Here:
Written Report: https://drive.google.com/file/d/12T-fTJhf5oWpC1wpfAKN_k-P1t31zEbW/view?usp=sharing
Component Selection: https://drive.google.com/file/d/12WjIi5wXpM0BFvikKo6afZMJWt3WZn4w/view?usp=sharing